




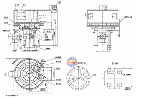
散状物料从料斗装入受料筒中,物料沿受料筒壁借本身自重堆积在圆盘上,用调节螺栓调整套筒与圆盘之间的间隙,可以控制物料在圆盘上的自然堆角。圆盘转动时,物料被圆盘上的卸料刀均匀地刮到圆盘外下落,这样随着圆盘转动,物料便由卸料刀均匀刮入接料斗中。圆盘连续运转,就完成了均匀的给料操作。调整卸料刀与圆盘之间的间隙,也可以控制给料量的多少。工作时,电动机通过皮带轮带动装在蜗杆减速器上的圆盘转动。
1.产品运行稳定简单易操作;
2.适用范围广泛,节能高效;
3.承载力大,运转平稳;
4.具有结构简单、给料均匀,使用可靠的优点,如果改变调整套与圆盘之间的距离,可以达到调节给料量的目的。
| 圆盘给料机 | |||||||
| 类型 | 型号 | 圆盘直径 | 圆盘转速 | 给料能力 | 电机型号 | 电机功率(kW) | 重量(kg) |
| (mm) | (r/min) | (t/h) | |||||
| 封闭吊式 | YG300 | 300 | 10 | 0〜1.8 | Y80L-4 | 0.55 | 115 |
| YG400 | 400 | 10.7 | 0〜2.6 | Y90L-6 | 1.1 | 120 | |
| YG500 | 500 | 0〜3.3 | Y90L-6 | 1.1 | 124 | ||
| YG600 | 600 | 10 | 0〜5.0 | Y90L-6 | 1.1 | 130 | |
| YG800 | 800 | 9 | 0〜8.0 | Y90L-6 | 1.1 | 195 | |
| YG1000 | 1000 | 9 | 0〜12 | Y90L-4 | 1.5 | 263 | |
| YG1500 | 1500 | 7 | 0〜22 | Y132M2-6 | 5.5 | 755 | |
| YG2000 | 2000 | 5 | 0〜80 | Y160L-6 | 11 | 2517 | |
| 敞开吊式 | DK600 | 600 | 7.53 | 1.8〜3.9 | Y90L-6 | 1.1 | 410 |
| DK800 | 800 | 7.53 | 3.5〜7.6 | 600 | |||
| DK1000 | 1000 | 7.5 | 1.8〜16.7 | Y100L-6 | 1.5 | 725 | |
| DK1300 | 1300 | 6.5 | 4.3〜27.9 | Y132S-6 | 3 | 846 | |
| DK1600 | 1600 | 6 | 7.03〜48.6 | Y132M1-6 | 4 | 1980 | |
| DK1800 | 1800 | 5 | 9.26〜60 | Y132M2-6 | 5.5 | 3070 | |
| DK2000 | 2000 | 13.6〜88.4 | Y132M2-6 | 3260 | |||
如果您正在寻找相关产品,或者有其他问题,可随时拨打金鹏矿业机械服务热线,或点击下方按钮与我们在线交流!